單級標準FCDS型蝸輪減速機是一種常見的傳動裝置,廣泛應用于各種機械設備中,用于降低轉速并增加扭矩。它主要由輸入軸、蝸輪、蝸桿、輸出軸以及外殼等組成。以下是關于FCDS型蝸輪減速機的一些基本特點和優(yōu)點:
### 特點:
1. **減速比大**:單級蝸輪減速機通常具有較大的減速比,能夠有效將電動機的高速輸出轉化為低速高扭矩的輸出。
2. **結構緊湊**:蝸輪減速機的結構設計緊湊,適合空間有限的應用場合。
3. **自鎖性**:蝸輪蝸桿傳動具備自鎖功能,能夠防止負載反向,使設備在停止時保持穩(wěn)定。
4. **運行平穩(wěn)**:蝸輪減速機在運行過程中噪音較小、振動少,能夠保證設備平穩(wěn)運行。
5. **耐磨損**:蝸輪蝸桿材料的選擇和制造工藝,可以增強其耐磨性,提高使用壽命。
### 應用:
FCDS型蝸輪減速機可廣泛應用于以下領域:
- 輸送設備
- 自動化機械
- 工程機械
- 食品加工機械
- 包裝機械
- 紡織機械
在選擇蝸輪減速機時,需要考慮其減速比、輸出扭矩、工作環(huán)境等因素,以確保設備的正常運行和效率。
如果您需要更具體的技術參數或者應用案例,請?zhí)峁└嘈畔?,我將竭誠為您解答。
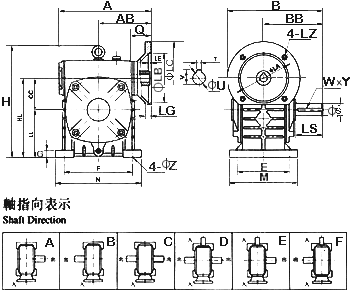
Size | Inpower KW | Ratio | A | AB | B | BB | CC | E | F | G | H | HL | LL | M | N | Z |
50 | 0.18 | 1/5 1/10 1/15 1/20 1/25 1/30 1/40 1/50 1/60 | 155 | 84 | 165 | 95 | 50 | 95 | 110 | 15 | 180 | 130 | 80 | 120 | 140 | 11 |
60 | 0.37 | 170 | 92 | 190 | 110 | 60 | 105 | 120 | 20 | 205 | 150 | 90 | 130 | 150 | 11 | |
70 | 0.37 | 206 | 110 | 210 | 130 | 70 | 115 | 150 | 20 | 235 | 175 | 105 | 150 | 190 | 15 | |
0.75 | 230 | |||||||||||||||
80 | 0.75 | 232 | 128 | 240 | 140 | 80 | 135 | 180 | 20 | 265 | 200 | 120 | 170 | 220 | 5 | |
1.5 | ||||||||||||||||
100 | 1.5 | 266 | 145 | 263 | 163 | 100 | 155 | 220 | 25 | 363 | 250 | 150 | 190 | 260 | 15 | |
2.2 | 270 | 149 | 288 | |||||||||||||
120 | 2.2 | 340 | 182 | 310 | 185 | 120 | 180 | 260 | 30 | 424 | 300 | 180 | 230 | 320 | 18 | |
3.0 | ||||||||||||||||
135 | 3.0 | 375 | 200 | 335 | 210 | 135 | 200 | 290 | 30 | 481 | 350 | 215 | 250 | 350 | 18 | |
4.0 | ||||||||||||||||
155 | 5.5 | 442 | 236 | 402 | 252 | 155 | 220 | 320 | 32 | 536 | 390 | 235 | 280 | 390 | 20 | |
175 | 7.5 | 465 | 240 | 412 | 262 | 175 | 250 | 350 | 40 | 550 | 435 | 260 | 310 | 430 | 20 |
Size | Flange | Output Hole | Output HShaft | Weight | |||||||||
LA | LB | LC | LE | LG | LZ | Q | U | T×V | LS | S | W×Y | ||
50 | 115 | 95 | 140 | 5 | 10 | M8 | 25 | 11 | 4×12.8 | 40 | 17 | 5×3 | 7 |
60 | 130 | 110 | 160 | 5 | 12 | M8 | 35 | 14 | 5×16.3 | 50 | 22 | 7×4 | 11 |
70 | 130 | 110 | 160 | 5 | 12 | M8 | 35 | 14 | 5×16.3 | 60 | 28 | 7×4 | 14 |
165 | 130 | 200 | 15 | M10 | 45 | 19 | 6×21.8 | ||||||
80 | 165 | 130 | 200 | 5 | 15 | M10 | 45 | 19 | 6×21.8 | 65 | 32 | 10×4.5 | 23 |
55 | 24 | 8×27.3 | |||||||||||
100 | 165 | 130 | 200 | 5 | 12 | M10 | 52 | 24 | 8×27.3 | 75 | 38 | 10×4.5 | 38 |
215 | 180 | 250 | 15 | M12 | 62 | 28 | 8×31.3 | ||||||
120 | 215 | 180 | 250 | 5 | 18 | M12 | 65 | 28 | 8×31.3 | 85 | 45 | 12×4.5 | 65 |
135 | 215 | 180 | 250 | 5 | 18 | M12 | 65 | 28 | 8×31.3 | 95 | 55 | 15×5 | 84 |
155 | 265 | 230 | 300 | 5 | 20 | M12 | 85 | 38 | 10×41.3 | 110 | 60 | 15×5 | 120 |

